
国标高平台法兰球阀/防火型

执行标准
| 设计与制造按照 |
结构长度按照 |
法兰尺寸按照 |
试验和检验按照 |
| GB12237-89 |
GB/12221 -89 |
JB/T82.1-94 |
GB/T13927-92 |
性能规范
| 公称压力 |
PN |
PN16.25MPa |
| 强度试验压力 |
PT |
2.4/3.8MPa |
| 低压气密封试验压力 |
0.6MPa |
| 高压密封试验压力 |
1.8/2.8MPa |
| 适用介质 |
Q41F-(16~25)C |
Q41F-(16~25)P |
Q41F-(16~25)R |
| 水、油品、气 |
硝酸类 |
醋酸类 |
| 适用温度 |
-40℃~180℃ |
材料列表
| 零件名称 |
Q41F-(16~25)C |
Q41F-(16~25)P |
Q41F-(16~25)R |
| 阀体 |
WCB |
ZG1Cr18Ni9Ti CF8 |
ZG1Cr18Ni12Mo2Tl CF8M |
| 阀盖 |
WCB |
ZG1Cr18Ni9Ti CF8 |
ZG1Cr18Ni12Mo2Tl CF8M |
| 球体 |
1Cr18Ni9Ti 304 |
1Cr18Ni9Ti 304 |
1Cr18Ni12Mo2Ti 316 |
| 阀杆 |
1Cr18Ni9Ti 304 |
1Cr18Ni9Ti 304 |
1Cr18Ni12Mo2Ti 316 |
| 密封圏 |
聚四氣乙稀 |
| 填料 |
聚四氣乙稀 |
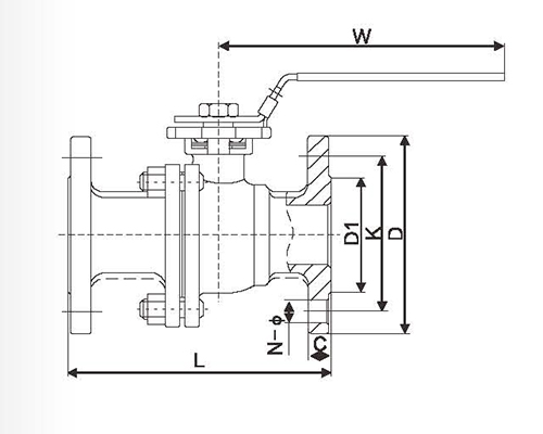
外形尺寸
| DN |
INCH |
L |
D |
K |
D1 |
N-φ |
C |
W |
| 15 |
1/2" |
108 |
95 |
65 |
45 |
4-14 |
14 |
135 |
| 20 |
3/4" |
117 |
105 |
75 |
58 |
4-14 |
14 |
135 |
| 25 |
1" |
127 |
115 |
85 |
68 |
4-14 |
14 |
165 |
| 32 |
1-1/4" |
140 |
135 |
100 |
78 |
4-18 |
16 |
165 |
| 40 |
1-1/2" |
165 |
145 |
110 |
88 |
4-18 |
16 |
190 |
| 50 |
2 |
178 |
160 |
125 |
102 |
4-18 |
16 |
210 |
| 65 |
2-1/2" |
190 |
180 |
145 |
122 |
4-18 |
18 |
240 |
| 80 |
3" |
203 |
195 |
160 |
138 |
8-18 |
20 |
260 |
| 100 |
4" |
229 |
215 |
180 |
158 |
8-18 |
20 |
320 |
| 125 |
5" |
356 |
245 |
210 |
185 |
8-18 |
22 |
520 |
| 150 |
6" |
394 |
280 |
240 |
210 |
8-23 |
24 |
600 |
| 200 |
8" |
457 |
335 |
295 |
265 |
12-23 |
26 |
800 |
| 250 |
10" |
533 |
405 |
355 |
320 |
12-25 |
30 |
1000 |
| 300 |
12" |
610 |
460 |
410 |
375 |
12-25 |
30 |
1200 |
?